

| · | 地 址: | 江蘇 泰興市大生鎮工業園 |
| · | 電 話: | (0)15052857428 |
| · | 網 址: | http://www.svk5.com |
JF5型脫落電連接器
![]() ●連接方式為手輪式 ●分離方式為電磁解鎖和機械解鎖,瞬間強制分離
●插頭如配置適用的機械手、光學探頭及控制電路,可實現自動插合和自動分離脫落
●密封式插座具有水密、氣密功能
●插座插合面可耐瞬時2000℃的高溫火焰
適用范圍
JF5型脫落電連接器適用于戰略戰術武器系統、航天運載系統級間,以及與地面設備之間的電氣線路連接和自動分離,以及類似需要自動分離的場合。
使用環境條件
工作溫度 -40℃~85℃
相對濕度 40±2℃時相對濕度90%~95%
工作氣壓 7.9×102Pa~5.06×105Pa
正弦振動 加速度200m/s2
沖 擊 加速度980m/s2
加 速 度 加速度350m/s2
注:插合時上述3項加速度值減半
淋 雨 降雨強度5mm/min
屏蔽效果 在場強5萬伏/米,頻譜范圍小于100MHz
條件下泄漏衰減不小于60dB
主要技術特性
接觸件特性
絕緣電阻
耐電壓
機械分離力 50N~200N
電磁分離 DC 27±3V,≤5A(線包阻值6Ω~7Ω)
密 封 性 2MPa
機械壽命 500次
執行標準
Q/Ag1.074-2000《JF5-231脫落電連接器詳細規范》
型號標志
① 矩形脫落電連接器
② 設計序號
③ 芯數:231
④ 電連接器類別:TD –電動插頭,Z1-單層插座,ZM-密封插座,Z3-三層密封插座
⑤ 特征類別:A-裝狀態開關,不裝狀態開關不標注
⑥ 電纜罩形式:1-長單出口電纜罩,2-短單出口電纜罩,3-三出口電纜罩(小編號處出口),4-三出口電纜罩(大編號處出口)
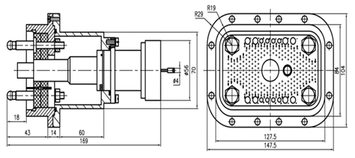
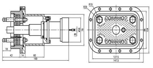
外形及安裝尺寸
插頭(普通) ![]() 插頭(機械手式) ![]() 插座 ![]()
接觸件孔位排列(插頭插合面正視圖) ![]() 型號規格
| ||||||||||||||||||||||||||||||||||||||||||||||||||||||||||||||||||||||||||||||
| 錄入時間:2012-4-11 16:46:57 【打印此頁】 【關閉】 |