 簡 介 在同接觸件數的情況下,較XC系列產品體積小,重量輕。 卡口快速連接,操作方便快捷、連接可靠、抗振動、耐沖 擊。五鍵定位,具有盲插和防誤插功能。插頭插座既可裝 針也可裝孔。高可靠的雙曲面線簧插孔,使連接器插拔柔 和,接觸可靠,接觸電阻小。插頭插座端接方式為焊接。 技術特性 環境性能 工作溫度:-55℃~+200℃ 相對濕度:40℃時達95% 工作高度:海拔30000m 振動:頻率10Hz~2000 Hz加速度196m/s2 沖擊:加速度490m/s2 恒加速度:490m/s2 防鹽霧,防潮濕,防霉菌性能等符合GJB2889標準的要求 |
| 電氣性能 接觸電阻及額定電流
|
接觸件規格mm |
額定電流A |
接觸電阻mΩ |
焊線筒內徑mm |
|
φ1.0 |
5 |
≤5 |
φ1.3 |
|
φ1.5 |
10 |
≤2.5 |
φ1.8 |
|
φ2.0 |
20 |
≤1.25 |
φ2.5 |
|
φ3.0 |
40 |
≤0.75 |
φ3.4 | 額定電壓、耐電壓及絕緣電阻
|
工作環境 |
額定電壓V |
耐電壓V |
絕緣電阻MΩ |
|
常溫常壓 |
500 |
1500 |
≥5000 |
|
濕熱 |
500 |
1125 |
≥100 |
|
低氣壓條件1KPa |
250 |
300 |
— | 外殼間電連續性:≤2.5mΩ 機械性能 殼體:高強度鋁合金材料 非屏蔽鍍層:陽極氧化作色 屏蔽鍍層:鍍鋅彩虹色鈍化或軍綠色鈍化、化學鍍鎳 絕緣體:熱固性材料 接觸件:銅合金材料 表面鍍金、銀 封線體和密封圈:硅橡膠材料 機械壽命:1000次 標記代號及意義
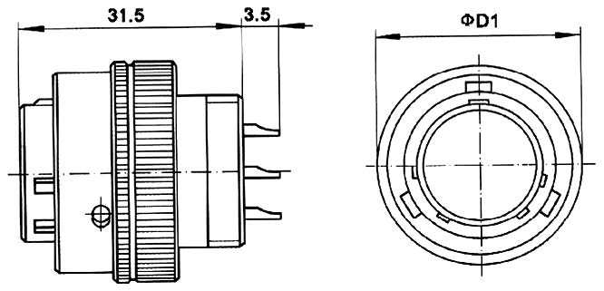
 說明 1、表示整套電連接器時,標記代號采用分數形式,插座標記寫作分子,插頭標記寫作分母,中間用斜線隔開。 2、XCE雙頭密封插座的一端為插針,另一端為插孔,裝針的結構外形標記寫在分母的前半部分,裝孔的寫在分母的后半部分,中間用“·”隔開 3、對于選配附件的插頭(座),可在其標記代號后加+再寫出所選附件。 標記示例 1、XCE系列18型裝10芯鍍銀插孔插頭,屏蔽、殼體鍍鋅彩虹色鈍化,W鍵位其標記代號為:XCE18T10KP(W) 2、XCE系列18型方法蘭裝10芯鍍銀插針插座,屏蔽、殼體鍍鋅彩虹色鈍化,W鍵位其標記代號為:XCE18F10ZP(W) 3、整套連接器標記代號為:XCE18F10ZP(W)/P 4、標記代號為XCE18S10MP/P.P3其含意為: XCE系列雙頭密封插座和兩個插頭配套的整套連接器。其中,插座為18型裝有10芯鍍銀插針的雙頭密封插座,屏蔽、殼體鍍鋅彩虹色鈍化,N鍵位。一只插頭為18型裝有10芯鍍銀插針,屏蔽、殼體鍍鋅彩虹色鈍化。另一只插頭為18型裝有10芯鍍銀插孔,屏蔽、殼體鍍鋅彩虹色鈍化,兩只插頭均為N鍵位。 外形尺寸 XCE插頭

|
殼體號 |
12 |
14 |
18 |
22 |
24 |
27 |
30 |
33 |
36 |
|
D1 |
22 |
24 |
28 |
32 |
34 |
37 |
40 |
43 |
46 | XCE插座

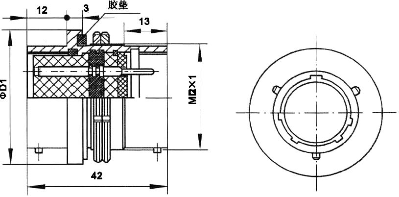
|
殼體號 |
12 |
14 |
18 |
22 |
24 |
27 |
30 |
33 |
36 |
|
D1 |
13.7 |
15.7 |
19.7 |
23.7 |
25.7 |
28.7 |
31.7 |
34.7 |
37.7 |
|
D2 |
12 |
14 |
18 |
22 |
24 |
27 |
30 |
33 |
36 |
|
B |
23 |
25 |
27.5 |
30 |
32 |
34.5 |
36.5 |
39.5 |
41 |
|
E |
17 |
19 |
21.5 |
24 |
26 |
28 |
30 |
32.5 |
3 | XCE插座面板開孔建議尺寸

|
殼體號 |
12 |
14 |
18 |
22 |
24 |
27 |
30 |
33 |
36 |
|
D |
12.5 |
14.5 |
18.5 |
22.5 |
24.5 |
27.5 |
30.5 |
33.5 |
36.5 |
|
E |
17 |
19 |
21.5 |
24 |
26 |
28 |
30 |
32.5 |
34 | XCE-S-M插座

|
殼體號 |
14 |
18 |
22 |
24 |
27 |
30 |
33 |
36 |
|
D1 |
27 |
31 |
36 |
36 |
39 |
42 |
45 |
48 |
|
D2 |
18 |
22 |
27 |
27 |
30 |
33 |
36 |
39 | XCE-S-M插座面板開孔建議尺寸

|
殼體號 |
14 |
18 |
22 |
24 |
27 |
30 |
33 |
36 |
|
D |
14.5 |
18.5 |
22.5 |
24.5 |
27.5 |
30.5 |
33.5 |
36.5 | XCE系列接點排列(裝針絕緣體插合面視圖)
 更多詳情請咨詢:http://www.svk5.com |
| 錄入時間:2012-5-20 5:47:52 【打印此頁】 【關閉】 |