

| · | 地 址: | 江蘇 泰興市大生鎮工業園 |
| · | 電 話: | (0)15052857428 |
| · | 網 址: | http://www.svk5.com |
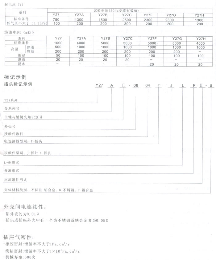
Y27系列圓形電連接器
一、Y27系列圓形電連接器簡介 推/拉式鎖緊機構,連接可靠,連接和分離方便快捷。 二、適用范圍 Y27系列圓形電連接器廣泛應用于航天、航空、船舶、通訊等領域 三、使用環境條件 工作溫度:-55~+125℃ 更多詳情請咨詢:http://www.svk5.com |
| 錄入時間:2012-5-20 5:39:42 【打印此頁】 【關閉】 |